
相关文章/ ARTICLE
Phytron VSS 系列步进电机:赋能扫描电子显微镜(SEM)的应用方案
2025-10-13
2025-09-25
2024-09-09
德国 Horger&Gassler磁性表座:精密测量的稳固基石
2025-06-24
2025-08-19





产品介绍/ PRODUCT PRESENTATION| 品牌 | 其他品牌 | 产地类别 | 进口 |
|---|---|---|---|
| 应用领域 | 综合 |
德国OWIS旋转台DV 65 大孔径无夹具

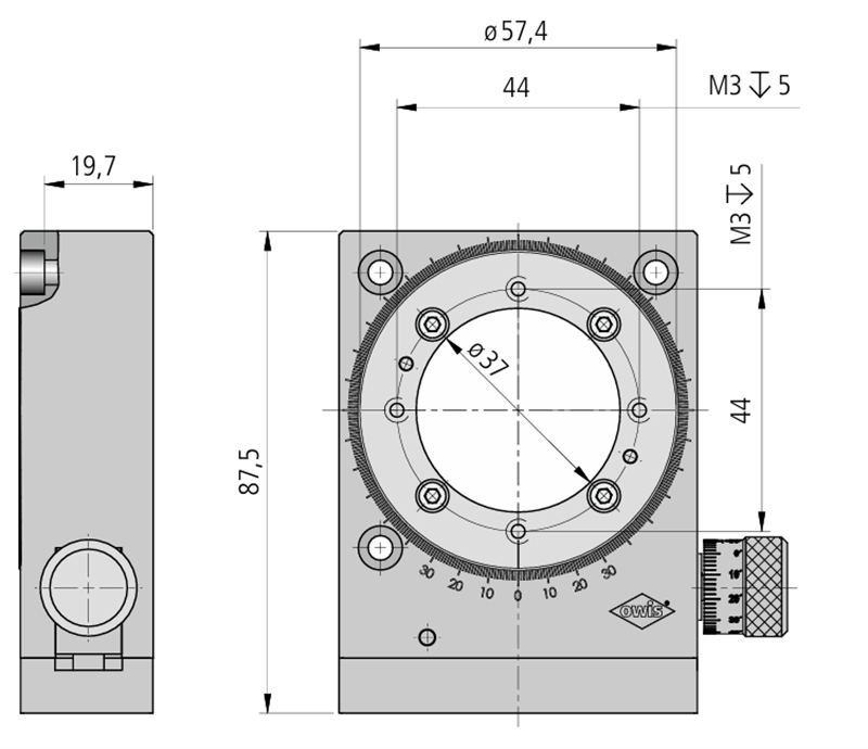
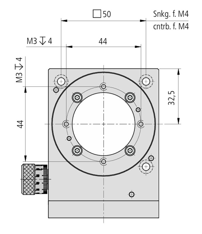
DV 65 是一款基于无回隙谐波驱动技术的精密旋转台。它以其Ø65 mm的大中心通孔和出色的负载能力而闻名。该系列集成了高质量的两相步进电机,提供360°连续无限旋转,是实现精密角度定位和运动传递的理想组件,尤其适用于光学、实验物理和工业自动化领域。
大中心通孔: 提供Ø65 mm的贯通孔,为光束穿过、电缆线束、气路管道或安装其他夹具提供了极大的空间,是其特点。
高负载能力: 相比DT 40系列,DV 65的结构更坚固,能够承受更高的负载。
轴向负载: 最高可达 300 N。
径向负载: 最高可达 40 N。
无回隙谐波驱动: 确保在所有运动方向上都具有零背隙、高扭矩刚性和重复定位精度,支持双向精确定位。
高精度与高重复性:
精度: 标准版本 ≤ ±30 arcsec(角秒)。
重复定位精度: ,通常 ≤ ±5 arcsec。
优异的刚性与稳定性: 坚固的机械设计和高质量的轴承支撑,确保了在负载下的旋转稳定性和极低的径向/轴向跳动。
灵活的马达选项: 除了标准步进电机,通常还可选配伺服电机或编码器,以满足对速度、动态性能或闭环反馈有更高要求的应用。
易于集成: 底部和侧面提供标准的安装接口(如M6螺纹孔),便于灵活地集成到各种复杂的机械系统和光学平台中。
| 参数 | 值/描述 |
|---|---|
| 型号示例 | DV 65 (通常以通孔尺寸直接区分) |
| 中心通孔 | Ø 65 mm |
| 驱动原理 | 谐波驱动 (零回隙) |
| 电机类型 | 集成两相步进电机 (可选伺服电机) |
| 步距角 | 1.8° (整步) |
| 减速比 | 常见为 1:100 或类似比例 |
| 旋转范围 | 360° 连续无限旋转 |
| 精度 | ≤ ±30 arcsec (标准) |
| 重复定位精度 | ≤ ±5 arcsec |
| 最大负载 | 轴向: 300 N, 径向: 40 N |
| 径向/轴向跳动 | ≤ 15 µm (典型值,具体因型号而异) |
| 限位开关 | 可选配 |
| 接口 | 底部和侧面标准螺纹孔 (如 M6) 用于安装 |
| 重量 | 约 3.5 kg (因电机选项和具体配置而异) |
光学与激光系统: 大型反射镜、偏振器、光学透镜的旋转定位;激光加工头、光束扩展器的方向控制。
实验物理与研究: 需要中心穿过探测线束或管道的精密实验装置。
航空宇航与国防: 天线测试、传感器校准平台。
工业自动化与检测: 作为第四轴或第五轴集成到坐标测量机(CMM)或精密装配系统中,用于旋转和检测较大型工件。
大学与研究机构: 多学科交叉的定制化实验平台搭建。
德国OWIS旋转台DV 65 大孔径无夹具